VVZ-VZ2-009-15 Kéttornyú játszóvár
A kéttornyú játszóvár tartó szerkezete horganyzott és porszórt acélból, padlói, lépcsői, ferde mászófala, koronája és a mellvédek HPL jelölésű magas nyomású laminált kompaktlemezből, kötélrendszere acélmagos poliészter kötélből, csúszdái pedig HDPE műanyag és HPL kompaktlemez kombinációjából készülnek. A magas nyomású HPL lemez törhetetlen, nem mérgező, újrahasznosítható, továbbá vegyszer- és UV álló. A poliészter szálakból készült acélmagos kötél magas szilárdsággal bír és ezáltal jobban ellenáll a mechanikai igénybevételnek. Maga a poliészter számos pozitív tulajdonsággal rendelkezik. Színtartó, ellenáll a mikroorganizmusoknak, az időjárási hatásoknak, (pl. eső után gyorsan szárad). A HDPE jelölésű, nagy sűrűségű polietilén lapokat főként magas szilárdságuk, szívósságuk és nedvességállóságuk jellemzik. Minden kötőelem rozsdamentes acélból készül és a fokozott tartósság és biztonság érdekében műanyag kupakkal van lezárva. A használt anyagoknak köszönhetően az eszköz minimális karbantartást igényel! A játékeszközt úgy terveztük, hogy a hosszú élettartam mellett a maximális biztonságot is garantálja!
FELSZERELTSÉG:
- kötélhíd, ferde mászófal, ferde kötélháló, 2× lépcső, 2× csúszda
MŰSZAKI ADATOK:
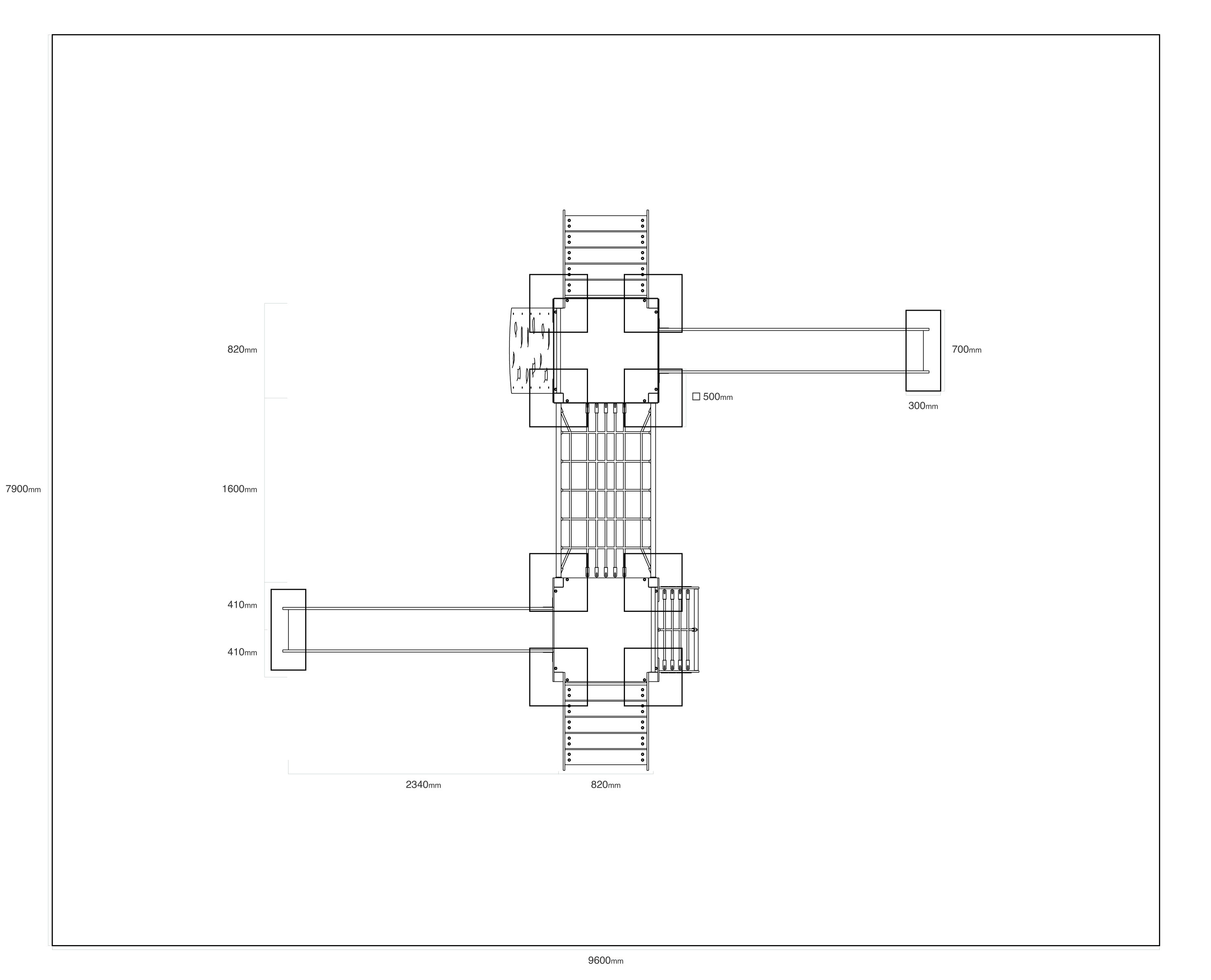
- Cikkszám: VVZ-VZ2-009-15
- Max. használók száma: 11 fő
- Ajánlott életkor: 3-14 év
- Az eszköz méretei: 4,8 × 5,4 × 3,6 m (HxSzxM)
- Szabadesés magasság (HIC): 1,5 m -ütéscsillapító felület kialakítása szükséges!
- Biztonsági zóna: 7,9 × 9,6 m
- Ütéscsillapító megoldások: gyöngykavics és folyami homok 300 mm rétegvastagságban, továbbá gyeprács, gumitégla vagy öntött gumiburkolat
- Használt anyagok: horganyzott és porszórt acélszerkezet, acélmagos poliészter kötél, 6, 10 és 15 mm vastagságú magas nyomású HPL laminált kompaktlemez, HDPE nagy sűrűségű polietilén, rozsdamentes acél kötőelemek

Kompakt HPL lemez

Mászó

Csúszó

Természetesen igen, de a szállítás külön költségekkel jár! Amennyiben viszont bármely termékünket telepítéssel együtt rendeli meg, a szállítás egész Magyarországon ingyenes!
Mivel termékeinket (félkész) összeszerelt állapotban szállítjuk, akár saját kezűleg is el tudja végezni azoknak telepítését. Ebben az esetben kitűzési és alapozási tervet küldünk az adott termék mellé. Nagyobb, vagy bonyolultabb játékeszközök esetében érdemes viszont szakembereink közbenjárását igénybe venni! Amennyiben a telepítést nem saját szakembereink végezték, így az ebből eredendő reklamációt nem tudjuk elismerni!
Igen, a kínálatunkban szereplő összes termékünk a vonatkozó szabványoknak megfelelően műszaki ellenőrzésen esnek át! Termékeink tanúsítványait a szlovák "Műszaki Vizsgáló a.s." állami szervezet adta ki Pozsonyban. Részletes információ
Termékeinket Trencsénben, a több éves tapasztalattal rendelkező szlovákiai székhelyű Veríme v Zábavu s.r.o. anyavállalat csarnokában tervezzük, fejlesztjük, teszteljük és gyártjuk.
Bármilyen kérdés esetén állunk az Ön rendelkezésére! Kapcsolatba tud lépni velünk weboldalunk alsó részében található űrlap kitöltésével, vagy regionális értékesítőnket felkeresve. Ehhez kérjük látogasson el a következő oldalunkra. Regionális értékesítőink
Az általános gyártási határidő 6-8 hétre tehető. Viszont vannak olyan nagy és kombinált termékeink, amelyek gyártási folyamata meghaladja akár a 10-12 hetet is. Ennek értelmében az általános termékeinket maximálisan 10-12 hétre tudjuk telepítéssel és üzembehelyezési jegyzőkönyvvel Önnek birtokba adni.
































.png&w=200&h=200)















